Home | About | Certificate | | Technology | Order | Contact | Link
Customers Design LCD Modute

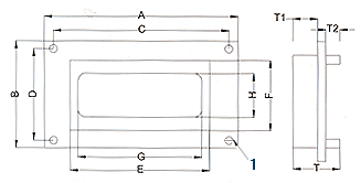
A.OUTLINE DIMENSION

(AXB) X MM
B.MOUNTING HOLE LOCATION (DXD) X MM
C.HOLDER SIZE (EXF) X MM
D.VIEW AREA (GXH) X MM
E.DIAMETER OR MOUNTING HOLE (1 ) X MM
H.UPPER THICHNESS (T1) X MM
G.LOWER THICKNESS (T2) X MM
H.EXTERNAL HEIGHT (T ) X MM
DISPLAY SPEC
(1)CHARACTER TYPE:
A.CHARCTER FONT: X DOTS.WITH/WITHOUT CURSOR
B.CHARCTER TYPE: CHARACTERS X LINES.
C.DOT SIZE (AXB) X MM
D.DOT PITCH (CXD) X MM
E.CURSOR SPACE (E ) X MM
F.CHARACHER PITCH (FXG) X MM
G.OTHERS:
(2)CHARACTER TYPE:
A.NUMBER OF DOTS: X MM
B.DOT SIZE(AXB) X MM
C.DOT PITCH(CXD) X MM
D.OTHERS

EXTERNAL CONNECTION METHOD

PATTERN TERMINAL CONNECTOR OTHERS
LCD SPERC
A.VIEWING ANGLE: 6:00 12:00 OTHER
B.LCD TYPE: TN STN YELLOW STN GRAY STN BLUE FSTN B/W OTHER REFLECTIVE TRANSMISSIVE TRANSFLECTIVE POSITIVE TYPE NEGATIVE
C.VISUAL SPER: NORMAL ANTI-GLARE
IC A.COMMON DRIVE: B.SEGMENT DRIVE:
C.CONTROLLER: BUILT-IN EXTERNAL D.OTHERS:
DRIVING METHOD A.SUPPLY VOLTAGE FOR LOGIC: 5V 3V OTHER
B.SUPLY VOLTAGE FOR LCE: V
C. STATIC DUTY
BACKLIGHT A. NO BACKLIGHT
B.BACKLITHT TYPE: LED EL CCFL OTHER
C.BACKLIGHT COLOR: YELLOW GREEN AMBER RED BLUE WHITE
TEMPERATURE Operating Temperature: c~ c
Storage Temperature: c~ c
SCHEDULE A.ESTIMATE: B.SAMPLE:DELIVERY: QUANTITY PCS
C.MASS PRODUCTION: DELIVERY: QUANTITY PER LOT: PCS
CUSTOMER'S
INFOMATION
CONTACT POINT:
COMPANY:
ADDRESS:
TEL: FAX:
E_MAIL: